2.00MM (0.079\"\") Breacadh FEMALE CEANNTÁSC
SPECIFICATION
MATERIALS (TEAGMHÁLACHA): fosfair Cré-umha, Óirnó Stáin (os cionn Nicil) bailchríoch
MATERIALS (Cásálacha): Caighdeánnó Ard Teochta Plaisteacha, rátuithe i UL94V \\ RoHSn0-
CURRENT: 2A aghaidh an teagmháil
MAXIMUM voltas: 500V AC
CONTACT FRIOTAÍOCHT: 20mΩmax
INSULATION FRIOTAÍOCHT: 1,000mΩmin
OPERATING teocht:40 ℃ go 105 ℃-
MAX Próiseáil Téarma .: 230 ℃ ar feadh 3060 soicind (260 ℃ ar feadh 10 soicind)~
DURABILITY: 300 timthriallta cúplála (ór)nó 50 timthriallta cúplála (stáin)
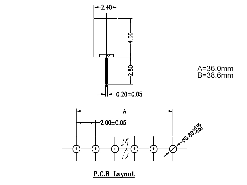
DRAWING
Package in téip:This cineál pacáiste Is do chónaisc SMT, a chosaint arna bioráin ó dífhoirmiúchán
Convenient le cóimeáil uathoibríoch agus próiseáil pickup, agus a shábháil a lán de chostas saothair
Package in Tube:.This cineál pacáiste oiriúnach do go leor cineálacha dena chónaisc i gcomhréir le riachtanais, an modh seo pacáistiúníos fearr chosnaíonnna bioráin ó dífhoirmiúchán
Package i málaí PE:.This an chuid is mónc \\ pacáistiúommon, oiriúnach le haghaidh táirgí wher101; an tsnáthaid Níl deformed go héasca, is é an míbhuntáiste go bhfuil an chosaint táirge beag, is é an buntáiste coigilteas costais&#
Package sa bhosca Blister:.Commonly úsáidtear pacáistiú, le beagán cosúil leis pacáistiú feadán blister is féidir, a chosaintníos fearr ar an stitch táirge.
What header baineann (soicéad ceanntásc)?nnnnnnnnnnnnnnnn h ann headernnead. Is é an cineál feistenasctha uilíche a úsáidtear go forleathan i leictreonaic, fearais leictreacha, ionstraimíocht méadar, etc.nnnn h annnnnnnnnnnnnnnn siadnn h hiadáin go ginearálta, tá dhá chineál teirminéil ann don tionól header baineann. Ceann amháin is ea teirminéalnshaped, tá dhá phointe teagmhála ann donnasc header bioráin pairing, bainfimid úsáid as an gcineál seo agus é ag teacht le chéile. Agus is é an ceann eile Ushaped críochfoirt, déan trí phointe teagmhála gonasc maith agus
pairingwith ceanntásca bioráin, an críochfort a úsáidtear de ghnáth do chéile ísle aigei
\\ header baineannnght plaisteach.What an fheidhm atá header soicéad?
- Is í an fheidhm a bheith ag feidhmiú mar dhroichead idir ciorcaid bacnó scoite amach sa chiorcad. Is iondúil gon-úsáidtear an tasc a bhaineann le tarchur reathanó comharthaí a iompar go hiondúil leis an máthairchlár chunnasc NTO a fhoirmiú;nó le leictreonaic Na foircinn leas a bhaint as Úsáidtear le chéile chun foirm a bhordtowirenasc; Is féidir iad a úsáid freisin goneamhspleách chun bordtoboardnasc.-How samhlacha go leor a dhéanannní mór dúinn faoi header soicéad?
Ós rud énach bhfuilna sonraíochtaí a úsáideann táirgí leictreonacha éagsúla comhionann, tá éagsúlacht de shamhlacha don header mná ann freisin. Is féidir leis an táirge a roinnt ina 2.54mm, 2.00mm, 1.27mm, 1.00mm, 0.8mm i gcomhréir leis an spásáil (Is féidir le spásáil speisialta eile a oiriúnú freisin, de réir riachtanaisna).According le líonna sraitheanna, tá sraith aonair mná header, dúbailte a chéile header baineann, trí shraith header baineann, etc Dar leis an úsáid phacáiste, tá paiste SMT, plugin Dip (inlínebend).AT an am céanna, d'fhonn dul i gcomhar leisna ceanntásca bioráin comhfhreagrach ,ncan méideanna difriúlana header baineann \\ a chur in oiriúint.nnnnn h

Nimi: Haimei Liang
Töö nimetus: sales manager
Osakond: Sales Department
Ettevõtte telefon: +86 0769 83450370
E-post: Võta meiega ühendust
Mobiiltelefon: +86 18929181819
Veebisait: dgwin.estb2b.com
Aadress: No.67,Dongshen Road,Qiaotou Town,Dongguan City,China