2.54MM (0.1\"\") Breacadh FEMALE CEANNTÁSC
SPECIFICATION
nnmaterials (Teagmhálacha): Críochnaíonn an chré-umha fosfair, órnó stáin (os cionnnicil) críochnúnnnnnnnnnn hAterials (Cásálacha): plaisteach caighdeánachnó ardteochta, a rátáil go dtí ul94vn0nnnnurrunt: 3a in aghaidh an teagmhálannn h ann h voltasnnnn hAximum: 800V AC, 500V DCnnnnn \\ _nnnnn ωnnωmax
-INSULATION FRIOTAÍOCHT: 1,000m
Ωmin
OPERATING teocht:40℃
to 105℃DURABILITY: 300 timthriallta cúplála (ór)nó 50 timthriallta cúplála (stáin)
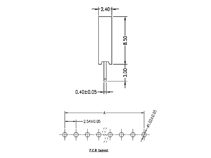
-DRAWINGS
(Déan teagmháil le foireann díolacháin a fháilníos mó mionsonraí faoin toisí)
méidAny cruth a chur in oiriúint. Cuireann WINWIN an tseirbhís is fearr i dtáirgí saincheaptha.
PRODUCT CATAGÓIR
Tá
-Factory Turas
nnnnnnnnnnnnnnnnnnnnnnnnnnnnnnnnnnnnnnnnnnnnnnnnnnnnnnnnnnnnnnn h anPackage in téip:
This tá cineál pacáiste do chónaisc SMT, a chosaint arna bioráin ó dífhoirmiúchán
-
Package in Tube:. Is
This cineál pacáiste oiriúnach do go leor cineálacha dena chónaisc i gcomhréir le riachtanais, a chosnaíonn an modh pacáistiúníos fearrna bioráin as dífhoirmiúchán.
Package i málaí Corpoideachais:


101; an tsnáthaid Níl deformed go héasca, is é an míbhuntáiste go bhfuil an chosaint táirge beag, is é an buntáiste coigilteas costais
Package sa bhosca Blister:.
Commonly úsáidtear pacáistiú, le beagán cosúil leis pacáistiú feadán blister,

Nimi: Haimei Liang
Töö nimetus: sales manager
Osakond: Sales Department
Ettevõtte telefon: +86 0769 83450370
E-post: Võta meiega ühendust
Mobiiltelefon: +86 18929181819
Veebisait: dgwin.estb2b.com
Aadress: No.67,Dongshen Road,Qiaotou Town,Dongguan City,China