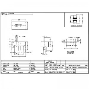
Friotaíocht Teagmhála: ≤50mΩ
Friotaíocht inslithe: ≥100mΩ
Stróc: 1.4 ± 0.1mm
Méid: 8*16.3*8.3
Voltas Rátáilte V: 250VAC
Reatha Rátáilte A: 1A
Fórsa oibriúcháin: 500 ± 150gf
Líonna bioráin: 2
Le haghaidh paraiméadair eile, téigh i gcomhairle le do thoil le haghaidh saincheaptha

Nimi: flora huang
Töö nimetus: sales manager
Osakond: sales department
Ettevõtte telefon: +86 0769-86341524
E-post: Võta meiega ühendust
Mobiiltelefon: +86 17774772320
Veebisait: dgxztechco.estb2b.com
Aadress: No. 250, shiheng avenue, shipai town, dongguan City