SPECIFICATION
MATERIALS (TEAGMHÁLACHA): Copar Alloy, Óirnó Stáin (os cionn Nicil) chríochnú
MATERIALS (Cásálacha): Caighdeánnó Ard Teochta Plaisteacha, rátuithe i UL94V-0
CURRENT: 3A in aghaidh an teagmháil
voltasnmax is fearr: 800V AC, 500V DC N\\ _ Nnnnnnmax \\ _nnnmaxnnnnnnnnnmaxnnn 1,000mΩ
minOPERATING teocht:40℃
to 105℃DURABILITY: 300 timthriallta cúplála (ór)nó 50 timthriallta cúplála (stáin)
-
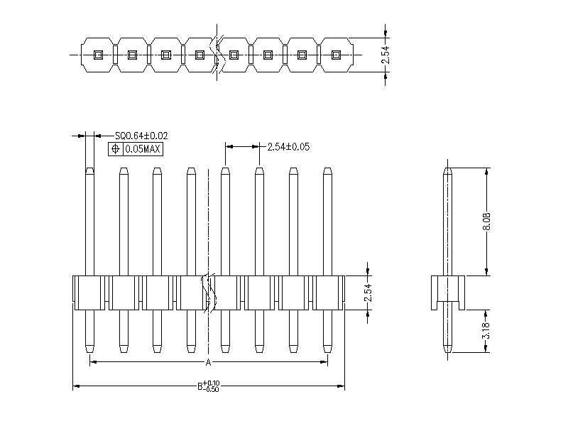
DRAWING
(Déan teagmháil le foireann díolacháin a fháilníos mó mionsonraí faoin toisí)
lWE chur ar fáil ar chostas \\ táirgí phraghasneffective agus iomaíoch.
lIs féidir leWE dhearadh agus táirgí a tháirgeadh ar aon méid agus cruth de réirna riachtanais ár gcustaiméirí.
l caighdeán an táirgeThe inchomparáide leis MOLEX, tá an praghasníos fearr.-
lA Feicfidh ár gcuid táirgí a dhéantarby Todhchaíproofed Ábhair
halaiginefree, SVHC f
ree agus ROHS comhlíontach. de Bad Caighdeánnó SEACHADADH DHÉANACHA.---l-inniúlacht lárnachour PinHeadersFemale Ceanntásc
/Críochfort Bloc////l
our teachtaireacht luach Quality dtús, Ar an am a sheachadadh, seirbhísí foirfe agus WinWin.
lFree Samplach Tairiscint S &mall order fáilte roimh&
-
Supply spec éagsúla. PIN CeanntáscMná Ceanntásc Sraith chun freastal ar riachtanais éagsúlana gcustaiméirí & APPLICATION
Application: méadar cliste, méadar, cláir chiorcad PCB, UPS, inverters, taifeadáin tiomána, Car feistí friththeft, lasca líonra, ródairí, leabhairnótaí, ríomhairí, MID. ceamaraí digiteacha, boird, agus

Nimi: Haimei Liang
Töö nimetus: sales manager
Osakond: Sales Department
Ettevõtte telefon: +86 0769 83450370
E-post: Võta meiega ühendust
Mobiiltelefon: +86 18929181819
Veebisait: dgwin.estb2b.com
Aadress: No.67,Dongshen Road,Qiaotou Town,Dongguan City,China